електрична частина Газелевской перемикач склоочисника, на відміну від камазовськую "гітари" не закриває спідометр і ставити його можна не знімаючи керма. За півтора року експлуатації вони відмінно себе показали та й дизайн хороший. (Без проблем ставиться перемикач поворотников).
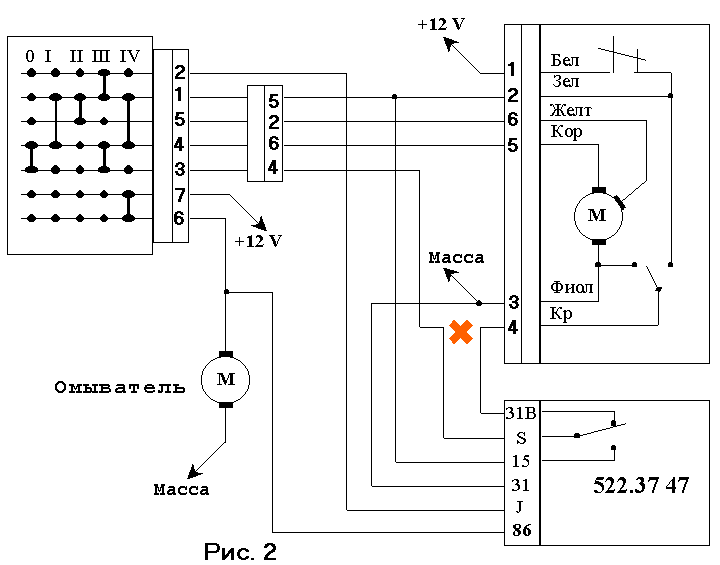
Штатна уазовской схема (від 31519)

Положення штатного перемикача:
- 0 - вимкнено
- I - повільно (один клацання)
- II - швидко (два клацання)
- III - омивач (натиснути)
допрацьована схема

Виробляємо установку:
- Купуємо підрульовий від Газелі, реле склоочисника від вісімки 522.3747 і контактні колодки на 8 контактів - 1 шт. (Для підрульового) і на 6 контактів 2 шт. (Для штатного перехідника і для реле склоочисника)
- Прибираємо штатний перемикач склоочисника
- Допрацьовуємо штатний перехідною кабель від перемикача до двигуна склоочисника:
- розриваємо провід 4-4 (там, де червоний хрест) і заводимо його кінці на контакти 31В і S реле склоочисника
- з'єднуємо провід 5-2 кабелю з контактом 15 реле склоочисника
- Під'єднуємо контактJ реле з контактом 2 підрульового перемикачі
- Заводимо контакт 13 реле на масу
- Робимо перехідною кабель від контактної колодки гезелевского
перемикача до штатної контактної колодці, до якої раніше подсоедінялс штатний перемикач - Заводимо контакти двигуна омивача на 6 і 7 контакти перемикача
- Контакт реле 86 з'єднати з контактом 6 подрулевого перемикача.
Положення газелевской перемикача:
- 0 - вимкнено
- I - повільно (один клацання вниз)
- II - швидко (два клацання вниз)
- III - переривчасто (один клацання вгору)
- IV - омивач (ручка на себе)
Другий варіант переробки з використанням реле 524.37 47
Реле 524.37 47 вигідно відрізняється від 522.37 47 по трьом параметрам:
- має корпус вдвічі менших розмірів за рахунок того, що складається практично з однієї мікросхеми
- відлік пауза в переривчастому режимі починається від моменту зупинки двигуна щіток (коли контакт 31B реле з'єднується з "землею" через контактну групу в блоці склоочисника)
- величину паузи можна змінювати від 4 с до 15 с (при бажанні і більше) змінним резистором R = 10к (див. рис 3), який можна вивести в будь-який зручний місце. В принципі можна підключити це реле і без резистора, тоді це буде схема на малюнку 2. :(

Дуже рекомендую другий варіант переробки. Я сам як раз збираюся зайнятися перетворенням першого варіанту в другій.
Якщо щось не так позначив (все-таки півтора роки тому робив, може і переплутав чого), не судіть строго, а краще перед складанням продзвоните контакти самостійно.
наверх
Практична частина
Рідний перемикач склоочисника автомобіля УАЗ (чи не від 3160 - (У)) настільки ж ненадійний, наскільки хитромудро зроблений (хто небудь пробував розбирати?). У кожного власника автомобіля УАЗ з таким перемикачем рано чи пізно виникає бажання замінити його чимось підрульовими. Проблема ускладнювалася тим, що у мене з лівого боку від керма стоїть тахометр і в разі застосування підрульових перемикачів від УАЗ-31519, ВАЗ-2108, камазовськую "гітар" або чогось аналогічного принаймні один з приладів - спідометр або тахометр буде закритий .
Газелевской перемикачі складаються з двох частин, що дозволяє регулювати висоту кожної з двох половин окремо. На моє запитання про можливість автоматичного відключення поворотів Олександр відповів, що у нього зі зворотного боку до керма прикрутити гумові шайби, які зачіпають язичок і вимикають повороти. Після цього мною були виготовлені кріплення згідно креслень Олександра (попутно в кресленнях були виявлені і виправлені помилки). При установці за місцем, у мене виникли проблеми з автоматичним відключенням поворотів. Якщо поставити перемикачі як треба, то від язичка до керма сантиметрів 5, якщо язичок впритул до керма поставити (щоб шайбочки прикрутити), то і важелі впритул до керма.
Спочатку була зроблена спроба просвердлити в кермі отвори і вставити два штиря, щоб вони зачіпляли язичок виключення поворотів. Цей варіант був забракований.